
RC100 是一款具備 360 度徑向順應力的氣壓式順應力工具,內建 65,000 RPM 超高速主軸,適用於小零件與細部區域的輕量去刺與研磨。順應力穩定且可調整,順應力行程可吸收工件邊緣干涉與接觸變化,特別適合對加工靈敏度要求高的自動化應用。
複雜曲線上毛邊

鋁、銅、鋼
| 功能 | 氣動刻磨機 |
| 夾頭尺寸 | Φ3/滾銑刀 |
| 順應力壓力 | 0.2-0.5 MPa (2-5 bar) |
| 順應力行程 | 徑向 3.5° |
| 順應力 | 2-10N |
| 馬力值 | 0.48kW |
| 重量 | 1.3 kg (2.87 lb) |
| 尺寸(長、寬、高) | 195 x 82 x 92 mm (7.68 x 3.23 x 3.62 in) |
| 轉速 | 65000 RPM |
| 主軸壓力 | 0.6 MPa (6 bar) |
| 耗氣量 | 150 LPM (L/min) |

RC100F 是一款具備 360 度徑向順應力的氣壓式順應力工具,專為銼刀應用設計,可穩定執行多角度與曲面精修作業。順應力穩定且可調整,順應力行程可吸收細部輪廓變化,特別適合處理小零件、內角與高靈敏度加工場景,實現一致且精確的去毛邊與修整效果。
複雜曲線上毛邊

鋁、銅、鋼、塑料、複合材料、木材
| 功能 | 氣動銼刀 |
| 夾頭尺寸 | Φ6/銼刀 |
| 順應力壓力 | 0.2-0.5 MPa (2-5 bar) |
| 順應力行程 | 徑向 3.5° |
| 順應力 | 12-30 N |
| 馬力值 | N/A |
| 重量 | 3 kg (6.61 lb) |
| 尺寸(長、寬、高) | 300 x 130 x 138 mm (11.81 x 5.12 x 5.43 in) |
| 往復頻率 / 行程 | 5000 BPM / 10 mm |
| 主軸壓力 | 0.6 MPa (6 bar) |
| 耗氣量 | 170 LPM (L/min) |
| 選項:針對大型或硬度高的毛刺,可選擇強力順應力型 | |

RC300S 是一款短型設計的氣壓式徑向順應力工具,具備穩定且可調整的順應力,最大順應力可達 46N,同時具備高靈敏度與 360 度順應力能力。可有效處理極小間隙與不規則表面,並吸收加工過程中的接觸與路徑誤差,特別適合需要穩定接觸壓力與高去除效率的去刺與表面修整自動化應用。
複雜曲線上較大毛邊

鋁、銅、鋼
| 功能 | 氣動刻磨機 |
| 夾頭尺寸 | Φ6/滾銑刀 |
| 順應力壓力 | 0.2-0.5MPa (2-5bar) |
| 順應力行程 | 徑向 3.5° |
| 順應力 | 18.4-46N |
| 馬力值 | 0.5kW |
| 重量 | 3kg (6.61 lbs) |
| 尺寸(長、寬、高) | 198 x 130 x 138 mm (7.8 x 5.1 x 5.4 in) |
| 轉速 | 16000 RPM |
| 主軸壓力 | 0.6MPa (6bar) |
| 耗氣量 | 510LPM (L/min) |
| 選項:針對大型或硬度高的毛刺,可選擇強力順應力型 | |

RC300M 是一款氣壓式徑向順應力工具,具備穩定且可調整的順應力,支援 360 度順應力能力。採用標準型結構,主軸長度相較 RC300S 更長,可有效降低干涉風險,提升整合彈性與加工穩定性。適用於多樣化的自動化去刺與表面修整作業,是 RC 系列中最泛用的機型之一。
複雜曲線上較大毛邊

鋁、銅、鋼
| 功能 | 氣動刻磨機 |
| 夾頭尺寸 | Φ6/滾銑刀 |
| 順應力壓力 | 0.2-0.5MPa (2-5bar) |
| 順應力行程 | 徑向3.5° |
| 順應力 | 9.6-24N |
| 馬力值 | 0.5kW |
| 重量 | 3.2kg (7.0 lbs) |
| 尺寸(長、寬、高) | 296 x 130 x 138 mm (11.6 x 5.1 x 5.4 in) |
| 轉速 | 16000 RPM |
| 主軸壓力 | 0.6MPa (6bar) |
| 耗氣量 | 510LPM (L/min) |
| 選項:針對大型或硬度高的毛刺,可選擇強力順應力型 | |

RC300L 是一款氣壓式徑向順應力工具,具備穩定且可調整的順應力,支援 360 度徑向順應力能力。相對加長的主軸設計可有效避開干涉區,便於深入窄小空間與內部曲面,使自動化應用更加靈活。特別適用於複雜輪廓與難以接近部位的去刺與表面修整作業。
複雜曲線上較大毛邊

鋁、銅、鋼
| 功能 | 氣動刻磨機 |
| 夾頭尺寸 | Φ6/滾銑刀 |
| 順應力壓力 | 0.2-0.5MPa (2-5bar) |
| 順應力行程 | 徑向3.5° |
| 順應力 | 7.2-18N |
| 馬力值 | 0.5kW |
| 重量 | 3.5 kg (7.72 lbs) |
| 尺寸(長、寬、高) | 355 x 130 x 138 mm (11.6 x 5.1 x 5.4 in) |
| 轉速 | 16000 RPM |
| 主軸壓力 | 0.6MPa (6bar) |
| 耗氣量 | 510LPM (L/min) |
| 選項:針對大型或硬度高的毛刺,可選擇強力順應力型 | |

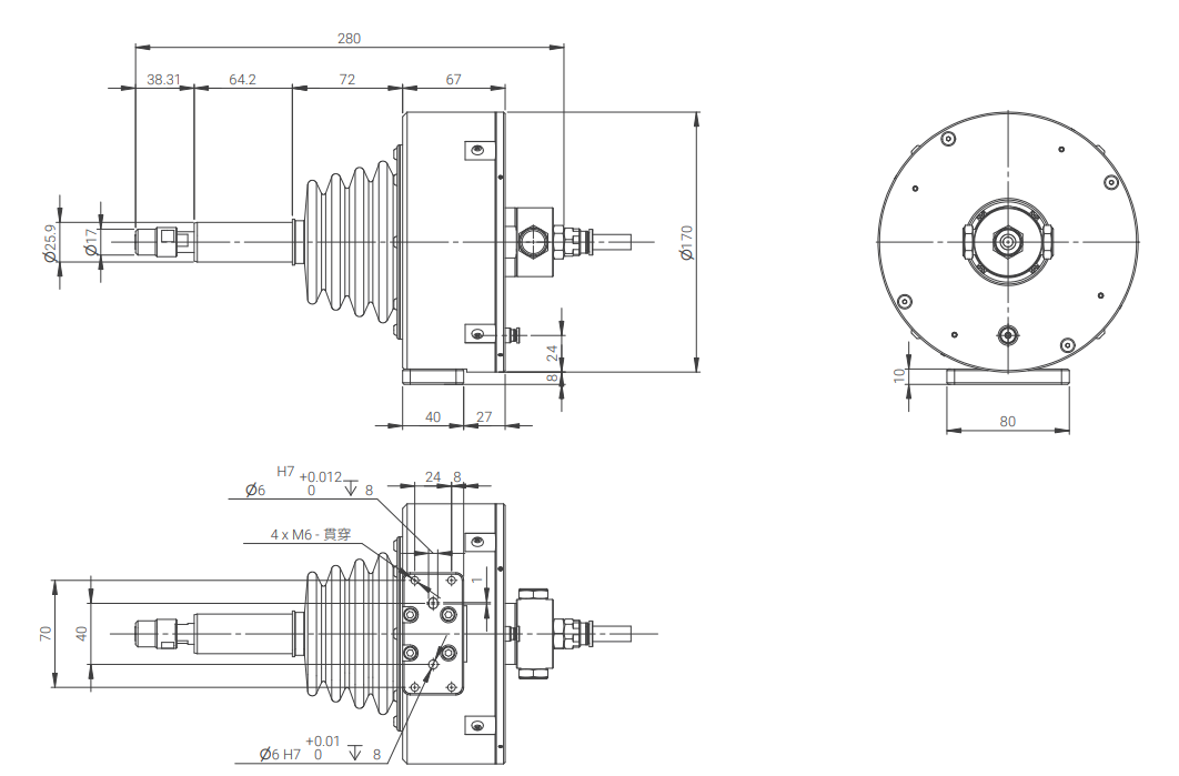
RC300M-HD 是一款氣壓式徑向順應力工具,具備穩定且可調整的順應力,支援 360 度徑向順應能力。其強化結構將最大順應力提升至 105N,相較 RC300M 大幅提升,特別適用於鑄鐵、不鏽鋼、耐熱鋼等高硬度鑄件的去毛刺與飛邊修整作業。高順應力設計可有效避免跳刀,提升加工穩定性,同時保有良好的自動化整合彈性,是各類重負載應用的理想選擇。
複雜曲線上較大毛邊

鋁、銅、鋼
| 功能 | 氣動刻磨機 |
| 夾頭尺寸 | Φ6/滾銑刀 |
| 順應力壓力 | 0.2-0.5 MPa (2-5 bar) |
| 順應力行程 | 徑向 3.5° |
| 順應力 | 42-105 N |
| 馬力值 | 0.5kW |
| 重量 | 5.1 kg (11.2 lb) |
| 尺寸(長、寬、高) | 296 x 170 x 178 mm (11.65 x 6.69 x 7.01 in) |
| 轉速 | 16000RPM |
| 主軸壓力 | 0.6 MPa (6 bar) |
| 耗氣量 | 510 LPM (L/min) |
| 選項:針對大型或硬度高的毛刺,可選擇強力順應力型 | |
