
LC300 是氣壓式線性順應力工具,內建 35,000 RPM 高速主軸,具備穩定且可調整的線性順應力與順應力能力。順應力行程可依工件表面變化自動調整,維持均勻接觸壓力,適用於小型零件的去毛邊與精修等輕接觸加工。結構小巧,便於整合於空間受限的自動化系統。
平面上小毛邊

鋁、銅、鋼、塑料、複合材料、木材
| 功能 | 氣動刻磨機 |
| 夾頭尺寸 | Φ3、Φ6/帶柄研磨材 |
| 順應力壓力 | 0.2-0.5 MPa (2-5 bar) |
| 順應力行程 | 單向10mm |
| 順應力 | 5-20N |
| 馬力值 | 0.22kW |
| 重量 | 1.7 kg (3.75 lbs) |
| 尺寸(長、寬、高) | 205 x 73 x 85 mm (8.07 x 2.87 x 3.35 in) |
| 轉速 | 35000 RPM |
| 主軸壓力 | 0.6 MPa (6 bar) |
| 耗氣量 | 350LPM (L/min) |

LCZ100 是一款緊湊型氣壓式線性順應力模組,具備穩定且可調整的順應力量,順應力行程達 10mm,可自動補償工件表面高度差異,維持穩定接觸壓力。適用於空間受限或干涉敏感的自動化應用,可搭配各類去毛刺與研磨工具,亦支援 ASC4-RTH 自動換砂紙系統,提升連續加工效率。另可搭配 ACFC-x300 控制器升級為主動式順應力控制系統,進一步強化加工穩定性與力道可控性。
| 功能 | 精巧型Z軸順應力模組 (不含前端研磨頭) |
| 夾頭尺寸 | N/A |
| 順應力壓力 | 0.2-0.5MPa (2-5bar) |
| 順應力行程 | 單向15mm |
| 順應力 | 10-30N |
| 馬力值 | N/A |
| 重量 | 1.2 kg (2.65 lbs) |
| 尺寸(長、寬、高) | 95 x 61 x 90 mm (3.74 x 2.40 x 3.54 in) |
| 轉速 | N/A |
| 主軸壓力 | N/A |
| 耗氣量 | N/A |

LC300B 是氣壓式線性順應力工具,具備穩定且可調整的順應力,搭載低速氣動主軸,支援砂刷、鋼刷等刷具類工具。順應力行程可隨工件表面變化自動調整,維持穩定接觸壓力,適用於曲面、邊緣與異形輪廓的去毛刺、表面清潔與粗化處理。線性順應力結構可避開干涉區,並能靈活整合於狹窄空間的自動化工作站。
搭配尼龍刷、大面積研磨

鋁、銅、鋼、複合材料
| 功能 | 氣動刻磨機 |
| 夾頭尺寸 | Ø6、Ø8帶柄研磨材 |
| 順應力壓力 | 0.2-0.5MPa (2-5bar) |
| 順應力行程 | 單向16 mm |
| 順應力 | 21-53N |
| 馬力值 | 0.5kW |
| 重量 | 2.6kg (5.73 lbs) |
| 尺寸(長、寬、高) | 210 x 100 x 107.5 mm (8.27 x 3.94 x 4.23 in) |
| 轉速 | 4500 RPM |
| 主軸壓力 | 0.6MPa (6bar) |
| 耗氣量 | 113LPM (L/min) |

LCZ300 是 LCZ 系列中最泛用的標準型氣壓式線性順應力模組,具備穩定且可調整的順應力量,順應力反應滑順,行程長達 28mm,可有效吸收工件加工公差,避免加工干涉。可搭配各類研磨工具進行去毛刺、研磨與拋光作業,並支援 ASC4-RWH 與 ASC4-RTH 自動換砂紙系統,提升多工序連續加工效率。亦可結合 ACFC-x300 控制器升級為主動式順應力控制系統,進一步強化加工穩定性與控制靈敏度。
視工具而定

視工具而定
| 功能 | 超滑順Z軸順應力模組可自由安裝研磨工具 |
| 夾頭尺寸 | N/A |
| 順應力壓力 | 0.2-0.5MPa (2-5bar) |
| 順應力行程 | 單向 28mm |
| 順應力 | 30-100N |
| 馬力值 | N/A |
| 重量 | 3.3 kg (7.27 lbs) |
| 尺寸(長、寬、高) | 120 x 120 x 192 mm (4.72 x 4.72 x 7.64 in) |
| 轉速 | N/A |
| 主軸壓力 | N/A |
| 耗氣量 | N/A |

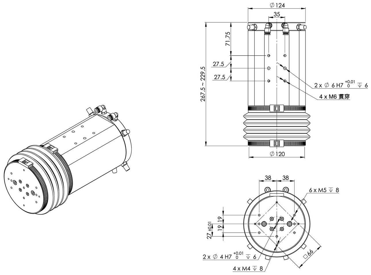
LCZ400 是 LCZ 系列中最泛用的標準型氣壓式線性順應力模組,具備穩定且可調整的順應力量,順應力反應滑順,行程長達 38mm,可有效吸收工件加工公差,避免加工干涉。可搭配各類研磨工具進行去毛刺、研磨與拋光作業,並支援 ASC4-RWH 與 ASC4-RTH 自動換砂紙系統,提升多工序連續加工效率。亦可結合 ACFC-x300 控制器升級為主動式順應力控制系統,進一步強化加工穩定性與控制靈敏度。
視工具而定

視工具而定
| 功能 | 超滑順Z軸浮動模組,可自由安裝研磨工具 |
| 夾頭尺寸 | N/A |
| 順應力壓力 | 0.2-0.5MPa (2-5bar) |
| 順應力行程 | 單向 38mm |
| 順應力 | 80-250N |
| 馬力值 | N/A |
| 重量 | 5.1 kg (11.24 lbs) |
| 尺寸(長、寬、高) | 124 x 120 x 267.5 mm (4.88 x 4.72 x 10.53 in) |
| 轉速 | N/A |
| 主軸壓力 | N/A |
| 耗氣量 | N/A |

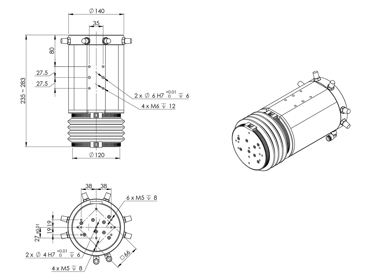
LCZ500 是 LCZ 系列中最泛用的標準型氣壓式線性順應力模組,具備穩定且可調整的順應力量,順應力反應滑順,行程長達 48mm,可有效吸收工件加工公差,避免加工干涉。可搭配各類研磨工具進行去毛刺、研磨與拋光作業,並支援 ASC4-RWH 與 ASC4-RTH 自動換砂紙系統,提升多工序連續加工效率。亦可結合 ACFC-x300 控制器升級為主動式順應力控制系統,進一步強化加工穩定性與控制靈敏度。
視工具而定

視工具而定
| 功能 | 超滑順Z軸浮動模組,可自由安裝研磨工具 |
| 夾頭尺寸 | N/A |
| 順應力壓力 | 0.2-0.5MPa (2-5bar) |
| 順應力行程 | 單向 48mm |
| 順應力 | 210-630N |
| 馬力值 | N/A |
| 重量 | 7.4 kg (16.31 lbs) |
| 尺寸(長、寬、高) | 140 x 120 x 283 mm (5.51 x 4.72 x 11.14 in) |
| 轉速 | N/A |
| 主軸壓力 | N/A |
| 耗氣量 | N/A |
