
軽量で安定した構造と高速駆動により、長時間運転でも研磨品質を維持。順応圧力制御により曲面や角部に密着可能。ABSC4-RTH 自動ベルト交換システムに対応し、多工程の効率を向上。
| 機能 | 小型ベルトサンダー |
| コレットサイズ | ベルト幅 20 x 長さ 520mm |
| 押付力圧力 | 0.2-0.5 MPa (2-5 bar) |
| 最大ストローク | 一方向 8° |
| 押付力範囲 | 2.6-6.5N |
| モーター出力 | 0.5kW |
| 重量 | 3kg (6.61 lbs) |
| 寸法 (L x W x H) | 338 x 110 x 104 mm (13.30 x 4.33 x 4.09 in) |
| 速度 | 16000 RPM |
| スピンドル圧力 | 0.6MPa (6bar) |
| 空気消費量 | 600LPM (L/min) |

BSA800は、高性能なベルト式コンプライアンスツールです。速く均一な研磨速度により、大面積加工や高除去量が求められる作業にも効果的に対応します。安定した出力と強力な駆動設計により、金属から非金属まで幅広い素材の表面処理に適用可能です。ロボットエンドエフェクタへの統合を前提に設計されており、長時間かつ大量の研磨でも高効率かつ高い加工一貫性を確保します。また、ABSC4-RTH自動ベルト交換システムに対応しており、異なる粒度のベルトを自動で切り替えることで、連続加工能力と多工程自動化の生産性をさらに向上させます。
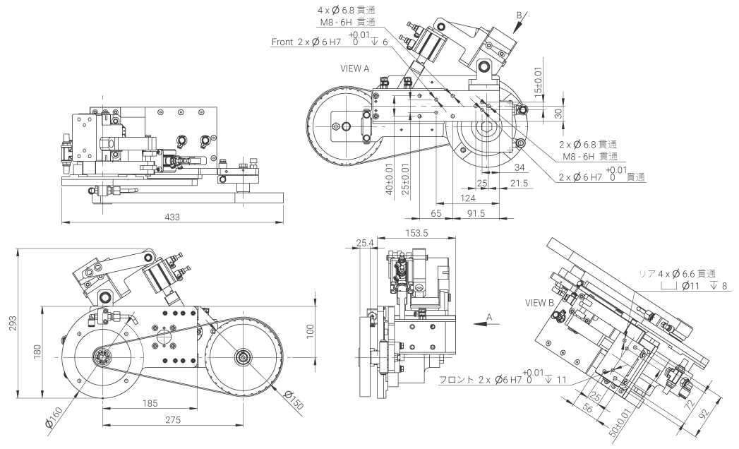
| 機能 | 小型ベルトサンダー |
| コレットサイズ | ベルト幅 25.4 mm |
| 押付力圧力 | 0.2-0.5 MPa (2-5 bar) |
| 最大ストローク | 15 mm |
| 押付力範囲 | 36.5-91N |
| モーター出力 | 1.25kW |
| 重量 | 14kg (30.86 lbs) |
| 寸法 (L x W x H) | 473 x 187.5 x 293 mm (18.62 x 7.38 x 11.53 in) |
| 速度 | 3000 RPM |
| スピンドル圧力 | 0.6MPa (6bar) |
| 空気消費量 | 970LPM (L/min) |
