




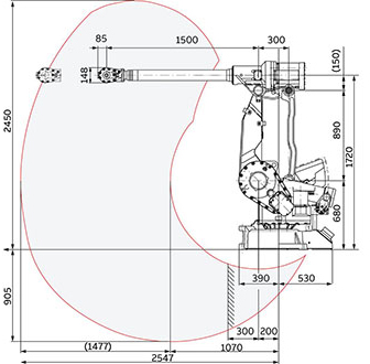
IRB 4400は、中〜重負荷のハンドリングに対応した、非常に高速かつコンパクトなロボットです。優れた全方向の動作性能を備えており、幅広い製造アプリケーションに適しています。最大可搬質量60kgの能力を持ち、非常に高速な動作においても、2つのワークを同時に扱うことが可能です。
IRB 4400は、堅牢でバランスの取れた設計と、特許取得済みのTrueMove™機能を搭載しており、作業範囲全体にわたってスムーズかつ高速な動作を実現します。これにより、切断など高精度が求められるアプリケーションにおいても、常に高品質なパフォーマンスを発揮します。優れた機動性により、スピードと柔軟性が求められる用途に最適です。さらに、コンパクトな本体設計と保護構造により、従来のロボットでは対応が難しい鋳造や塗装といった過酷な環境下でも使用可能です。特に「Foundry Plus 2」バージョンはIP67の保護等級を備え、高圧スチーム洗浄対応しており、極めて厳しい作業環境にも最適です。
堅牢で高剛性な構造により、定期メンテナンスの間隔を大幅に延長できます。バランスの取れた鋼製アームにはダブルベアリング式の関節を採用し、軸2にはトルクストラットを装備。さらに、メンテナンスフリーのギアボックスおよびケーブルを使用することで、非常に高い信頼性を実現しています。駆動系も高トルク出力と低消費電力を両立するよう最適化されており、経済的な運用が可能です。
広範な通信機能には、シリアルリンク、ネットワークインターフェース、PLC、リモートI/O、フィールドバスインターフェースなどが含まれており、小規模な製造ステーションから大規模な工場自動化システムまで、さまざまな規模のシステムへの統合が容易に行えます。
安心してロボットを運用いただくために、ABBでは「RemoteService」を提供しており、設備の状態監視やサポートのためのリモートアクセスが可能です。また、ABBの顧客は、アーク溶接分野で35年以上の実績を持つ専任サービスチームによる専門的なサポートを受けることができます。ABBは、53か国以上にわたる100拠点を超えるサービスネットワークを通じて、グローバルにサービスを展開しています。